HSE700AT, Servo Kontrollü Akıllı Basınç Bakım Pompası
RIVERLAKE HSE700AT, uzun süreler boyunca hassas ve otomatik basınç koruması gerektiren uygulamalar için tasarlanmış, yeni nesil servo tahrikli akıllı bir basınç tutma pompasıdır. PLC tabanlı dokunmatik ekran kontrolü, gerçek zamanlı basınç eğrisi kaydı ve kapsamlı güvenlik izleme özelliklerini bir araya getiren HSE700AT, basınç testi, bileşen doğrulama, yapısal yük tutma ve diğer zorlu endüstriyel süreçler için güvenilir ve eller serbest çalışma imkanı sunar.
Açıklama
Seri: HSE | Ürün Grubu: Endüstriyel Aletler
Tek Dokunuşla Çalıştırılabilen Otomatik Basınç Tutma Özelliği: HSE700AT, tamamen otomatik basınç kontrol programına sahip PLC dokunmatik ekran arayüzüne sahiptir. Hedef basıncı ayarlayın ve başlat düğmesine basın; sistem, sürekli operatör müdahalesi olmadan istenen basıncı otomatik olarak korur, böylece personel diğer işlere odaklanabilir ve tutarlı sonuçlar elde edilebilir.
Ayarlanabilir Basınç Tutma Doğruluğu: Kullanıcılar, 0.3 ile 5 MPa arasında istenen tutma doğruluğunu ayarlayarak, uygulamaya özgü gereksinimler için ince ayar yapabilirler. Bu esneklik, hem yüksek hassasiyetli testleri hem de genel amaçlı basınç korumasını mümkün kılar.
Gerçek Zamanlı Basınç-Zaman Eğrisi Kaydı: Sistem, gerçek zamanlı basınç-zaman verilerini sürekli olarak kaydeder ve görüntüler; bu da bekleme süresi boyunca sistem davranışına dair değerli bilgiler sağlar. Bu veriler, kalite güvencesi, süreç doğrulaması ve sorun giderme çalışmalarını destekler.
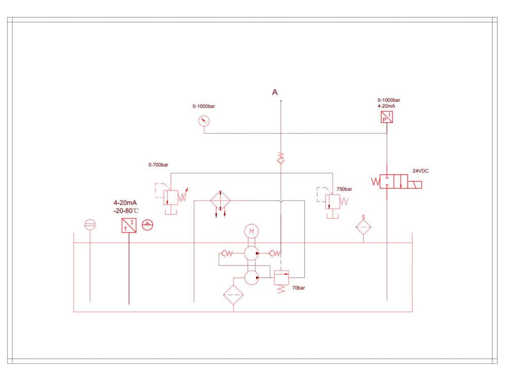
Harici Ayarlanabilir Basınç Tahliye Vanası: Dışarıya monte edilmiş, ayarlanabilir bir basınç tahliye vanası, mekanik aşırı basınç korumasına ek bir katman sağlar ve operatörlerin elektronik kontrol sisteminden bağımsız olarak maksimum basınç limitini belirlemesine olanak tanır.
Kapsamlı Alarm Fonksiyonları: HSE700AT, operasyonel güvenliği ve güvenilirliği artırmak için akıllı alarm özellikleriyle donatılmıştır:
-
Basınç artışı zaman aşımı alarmı
-
Sensör sinyali hatası alarmı
-
Yağ sıcaklığı ve sıvı seviyesi alarmı (entegre sıvı sıcaklığı ve seviye sensörleri)
Kullanıcı dostu arayüz: Ekran ünitesi, MPa, BAR, psi veya kN olmak üzere seçilebilir basınç birimlerini destekleyerek operatörlerin dönüştürme hataları olmadan tercih ettikleri ölçüm sisteminde çalışmalarına olanak tanır.
Özellikler
| Model | Maksimum Çalışma Basıncı (Mpa) | Motor Gücü (KW) | Voltaj(VAC) | Düşük Basınç Akış Hızı (L / dak) | Yüksek Basınç Akış Hızı (L / dak) | Kullanılabilir Yağ(L) | Dokunmatik Ekran Boyutu | Ağırlık (Kg) |
|---|---|---|---|---|---|---|---|---|
| HSE700AT20 | 70 | 1 | 230 | 5 | 0.6 | 20 | 7 İnç | 53 |
| HSE700AT60 | 70 | 1.5 | 230 | 6.4 | 0.85 | 60 | 10 İnç | 123 |
HSE700AT20 Ürün İllüzyonu
- PLC Dokunmatik Ekran
- Güç Anahtarı
- Basınç sensörü
- Basınç Ayar Vanası
- Yağ Seviyesi ve Sıcaklık Sensörü
- Pilot Emniyet Vanası Bloğu
- Yağ seviye göstergesi
- Yağ Tahliye Portu
- Yağ Dolum Egzoz Portu
- Motor
- Basınç ölçer
- Kabine

HSE700AT60 Ürün Yanılsaması
- kapak
- Basınç ölçer
- Hızlı bağlayıcı
- Yağ seviye göstergesi
- Yağ Dolum Egzoz Portu
- Güç Anahtarı
- PLC Dokunmatik Ekran

Dosya İndir
| - | Dosya Adı | Dosya tipi |
|---|---|---|
| HSE700AT Servo Akıllı Basınç Pompaları Broşürü | İngilizce | |
| HSE700AT Verici | 中文 | |
| HSE700AT Verici Otomasyonu | 中文 | |
| HSE700AT Servo Akıllı Basınç Pompaları Kullanım Kılavuzu | İngilizce |


