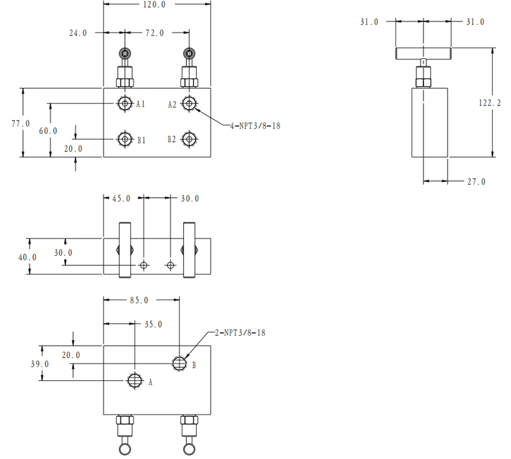
AM22,Double Acting,Split Flow Manifold,One Inlet,Two Outlets
Engineered to master extreme hydraulic and pneumatic distribution, RIVERLAKE’s 70MPa (10,000+ psi) needle valve manifolds deliver unmatched accuracy in flow regulation and isolation. Designed for single-loop (1-path) or dual-loop (2-path) circuits, these rugged distributors ensure zero-leak performance in critical industrial applications.
PRICE ON REQUEST
Downloads
Downloads
| – | File Name | File Type |
|---|---|---|
| 液压附件图册 | 中文 | |
| Hydraulic Accessories Brochure | English |
