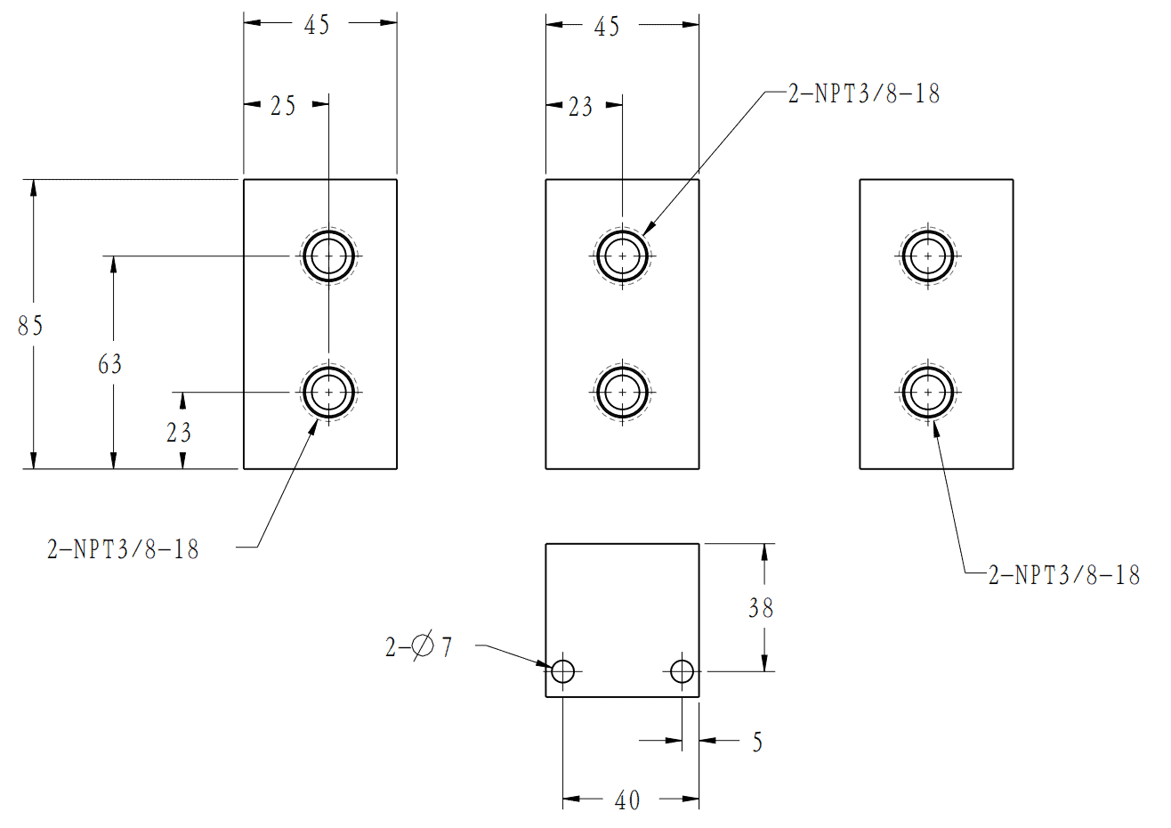
700D2-2,3-NPT 3/8-18,Manifold
RIVERLAKE specializes in engineering robust hydraulic adapters and distributors engineered for extreme environments. Our 70MPa (10,000+ psi) product line delivers uncompromising reliability in the most demanding industrial applications, from hydraulic testing to heavy machinery and energy systems.
PRICE ON REQUEST
Downloads
Downloads
| – | File Name | File Type |
|---|---|---|
| 液压附件图册 | 中文 | |
| Hydraulic Accessories Brochure | English |
